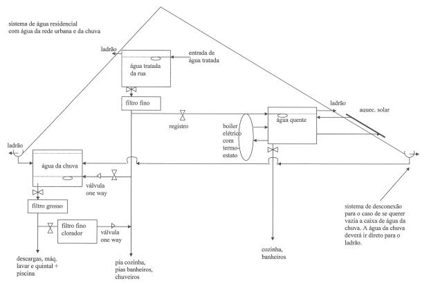
É ridículo faltar água quando, ao mesmo tempo, chove muito! Não tem cabimento! Bolei o esquema abaixo para aproveitar a água da chuva quando eu construir uma casa.
Desta forma se pode aproveitar a água da chuva quando há chuva e, quando não chove por muito tempo, usar a água da rua mesmo. Mas assim que começar a chover a água da chuva passa a ter precedência no uso e se economiza a água tratada da rua.
